Новости, обзоры и акции
Новости, обзоры и акции
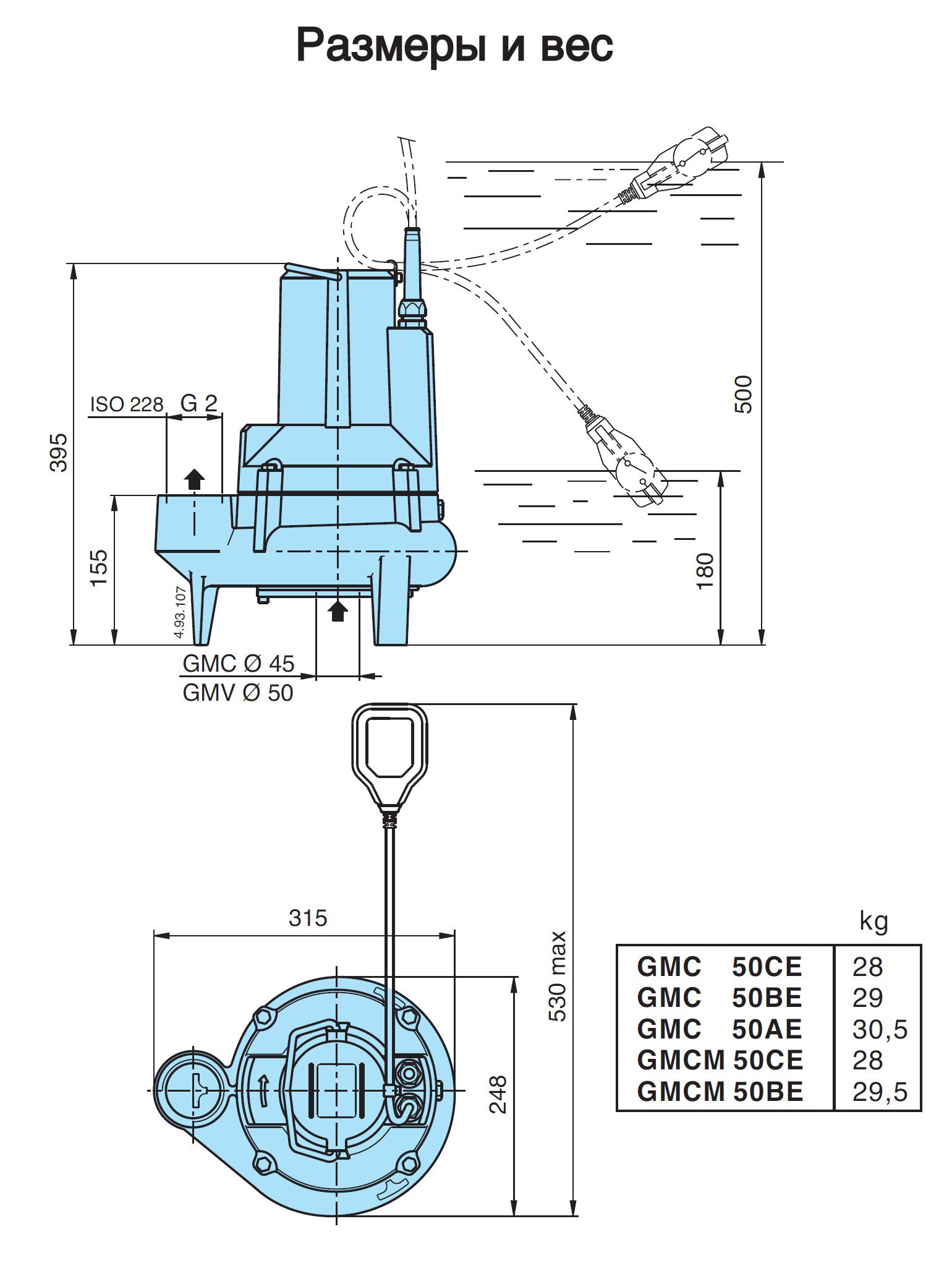
Погружной дренажный насос Calpeda GMCM 50-65B
Особенности
Дренажные насосные агрегаты типа GM10, GX40, GM50 с напряжением питания на 220 В укомплектованы автоматическим выключателем поплавкового типа, позволяющим насосу при изменении уровня жидкости включаться и отключаться автоматически. GM50 - погружные центробежные электронасосные агрегаты, выполненные из чугуна, предназначены для откачивания загрязненных вод, содержащих механические примеси с частицами диаметром до 45 мм.
Погружной дренажный насос Calpeda GMCM 50-65B в продаже по цене 145 061 руб. в Интернет-магазине Проф-инструмент с доставкой . Звоните по телефону +8 (800) 302-10-51.
