Будьте в курсе!
Новости, обзоры и акции
Время работы:
ПН-ПТ 10:00 - 19:00
СБ-ВС выходной
Новости, обзоры и акции
Вы можете узнать актуальную цену для города Перми, на гидроцилиндр ЦГ-160.80х600.31 , сделав запрос, на наш электронный адрес 2584500@bk.ru
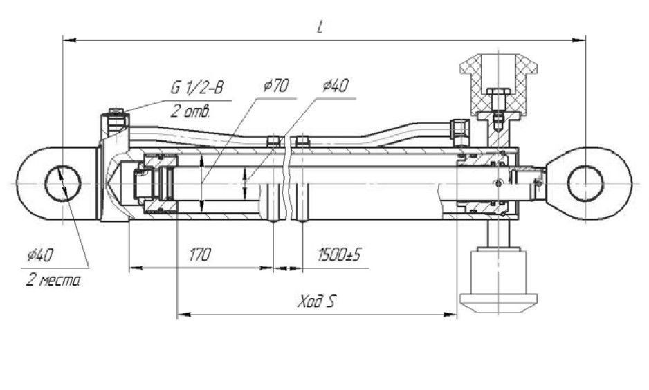
Гидроцилиндр удлинителя стрелы ИФ 300.200М.00.000 в продаже по цене 0 руб. в Интернет-магазине Проф-инструмент с доставкой . Звоните по телефону +8 (800) 302-10-51.
Новости, обзоры и акции
