Время работы:

ПН-ПТ 10:00 - 19:00
СБ-ВС выходной

Ваш город: Пермь

+8 (800) 302-10-51

prof-instrument@list.ru

Заказать звонок
Каталог товаров

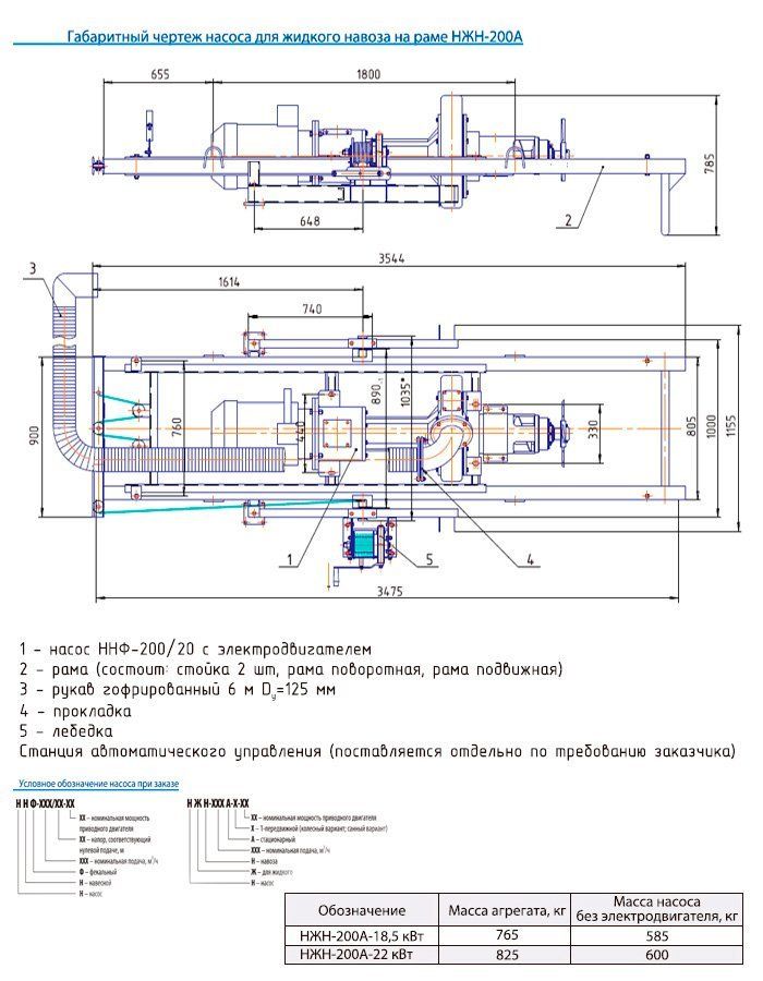
Насос для жидкого навоза НЖН-200А-1 (под 22кВт)

Артикул: -
Доставка по России любой ТК (транспортной компанией)
Все товары сертифицированы
Основные характеристики
Страна производитель
Россия
Напряжение, В
380
Высота, мм
3545 мм
КПД
0.4
Макс. напор, (м)
20 м
Подача, м³/ч
200
Потребляемая мощность, кВт
22 кВт
Ширина, мм
1155 мм
Масса, кг
615 кг
Насосы для жидкого навоза НЖН-200А (колесный или санный вариант) в составе электронасосного агрегата, предназначены для измельчения, перекачивания жидкости со взвешанными веществами, а также массных, фекальных жидкостей, жидкого навоза плотностью твердых включений до 1%, максимальными размерами до 20 мм, температурой от 5°С до 40°С.

Серийно выпускаемые насосы предназначены для эксплуатации в отапливаемых помещениях, или в неотапливаемых помещениях и под навесом при температуре окружающего воздуха от -30°С до +40°С

Насос для жидкого навоза НЖН-200А-1 (под 22кВт) в продаже по цене 0 руб. в Интернет-магазине Проф-инструмент с доставкой . Звоните по телефону +8 (800) 302-10-51.

Похожие товары
Артикул: prm-7214505
220В, 50Гц, 1,3кВт, 300л/мин, с попл выкл, макс напор 12м, макс глубина погруж. 5м, диаметр патр 50мм, макс. размер проп. частиц 12мм;
Не указана цена за 1
Артикул: Zenit-45097
262 695 руб. за 1
- +
Артикул: Zenit-44732
219 803 руб. за 1
- +
Артикул: Zenit-45107
244 425 руб. за 1
- +