Новости, обзоры и акции
Производители
                                        
Все производители                                    Будьте в курсе!
                                        Новости, обзоры и акции
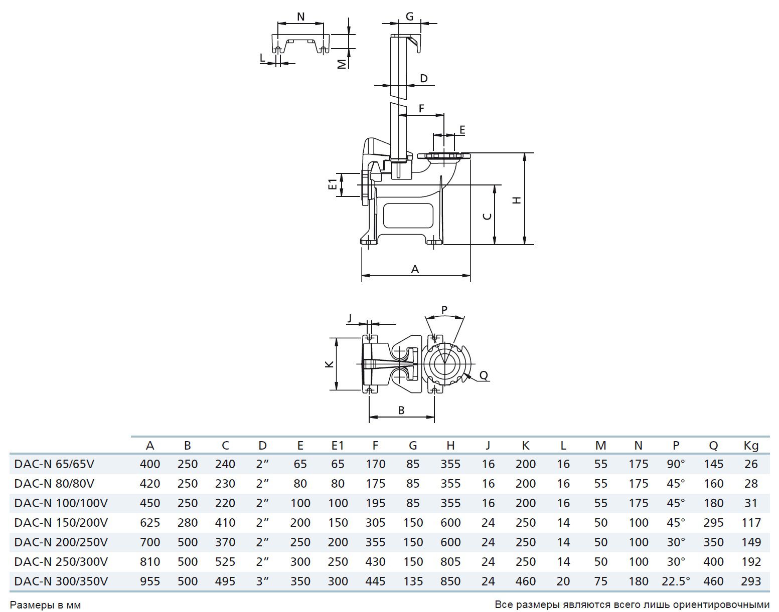
Донное присоединительное устройство Zenit DAC DN65
				Доставка по России любой ТК (транспортной компанией)			
		
				Все товары сертифицированы			
		Основные характеристики
																				Производитель
																								
												
											Страна производитель
																								
												Италия
											Диаметр вход/выход мм
																								
												65/65
											Присоединение
																								
												Фланцевое
											Тип установки
																								
												Донное
											Вес, кг
																								
												26
											Особенности
Донное соединительное устройство DAC с вертикальным напорным отверстием позволяет выполнять техническое обслуживание насоса без опорожнения резервуара, а также удерживает всасывающее отверстие насоса на оптимальной высоте. Корпус выполнен из чугуна, уплотнение из резины NBR.
Комплектация: донное соединительное устройство, скользящий фланец, верхний крепеж для фиксирования направляющих труб.
Донное присоединительное устройство Zenit DAC DN65 в продаже по цене 16 580 руб. в Интернет-магазине Проф-инструмент с доставкой . Звоните по телефону +8 (800) 302-10-51.
Похожие товары
		